≪ 압력 보상형 유량제어 밸브의 구조, 원리 및 적용사례 ≫
압력 보상형 유량제어 밸브에 대해 설명하기에 앞서 유량제어 밸브를 어떻게 분류하는지와 각각의 특징들을 설명함으로써 압력보상형 유량제어 밸브의 구조, 원리, 적용사례 등을 말해보겠습니다.
유압 유량제어 밸브는 크게 유량제어 밸브와 압력보상형 유랑제어 밸브로 나눌 수 있습니다. 유량제어 밸브는 공, 유압에 다 있으며, 교축부의 길이가 교축 직경보다 더 긴 형태인 Restictior 형과 교축부의 길이가 교축 직경에 비해서 짧은 경우인 Orifice 형이 있습니다. 하지만, 압력보상형 유량제어 밸브는 유압에만 있고, 온도까지 보존시켜주는 압력온도보상형 유량제어 밸브도 존재합니다.
압력보상형 유량제어 밸브는 유량제어 밸브의 입구와 출구의 압력차에 의해 밸브를 통과하는 유량 차이를 보상해주는 밸브로 일정한 유량이 흐를 수 있도록 해주는 밸브입니다.
그림과 같이 설명을 해보면, 부하가 증가하여 밸브 출구 쪽의 압력 가 높아질 때, 압력 도 따라서 같이 높아지게 됩니다. 압력 변화에 따라 압력 보상 피스톤은 다시금 평형 상태를 유지하기 위해 움직이게 되고 밸브의 출구 저항을 감소시킵니다. 이를 통해 교축밸브 전후의 압력차( )를 다시 일정하게 유지시킴으로써 일정한 유량이 흐르도록 합니다.
부하와 전혀 무관한 것은 아니며 최대 ±15% 정도의 유량 변화가 있을 수 있습니다. 실린더에 작용하는 부하가 크기 때문에 압력차( )가 8bar 이내가 되면 압력 보상효과가 없어질 수 있으므로 주의가 필요합니다. 또 압력차가 적을 때는 압력 밸런스의 움직임이 미흡하게 되어 실제 조정 범위가 적어 압력보상이 잘 이루어지지 않는 경우도 생길 수 있습니다.
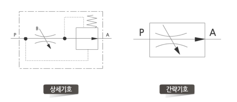
압력 보상형 유량제어밸브의 기호는 다음과 같으며, 압력 보상형 유량제어 밸브에는 입구와 출구가 반드시 존재합니다.
압력 보상형 유량제어 밸브의 활용으로 다음과 같은 2단 부하 작용 시 등속제어를 예로 들 수 있습니다. 동일한 속도를 얻어낼 수 있는 것이 압력 보상 유량제어 밸브의 대표적 사용 예시라고 할 수 있습니다.
출저 : 중소기업진흥공단 사이버연수원
'기계공학' 카테고리의 다른 글
[정밀가공]AE(Acoustic Emission)신호 특성 & 절삭가공 (0) | 2020.07.08 |
---|---|
[유압공학]파일럿 압력 체크밸브 (0) | 2020.06.24 |
[정밀가공]고속가공용 공구의 미래 (0) | 2020.06.17 |
[정밀가공]고속가공의 특성 (0) | 2020.06.12 |
[정밀가공]고속가공(high speed machining)용 공구특성 (0) | 2020.06.10 |