≪ 파일럿 압력 체크밸브의 구조, 원리 및 적용사례 ≫
파일럿 압력 체크 밸브에 대해 설명하기에 앞서 논-리턴밸브의 종류와 그 특징들에 대해 설명해보겠습니다. 논-리턴밸브는 작동유의 바이패스나 역류를 방지하기 위해 사용하며 그 종류로는 체크밸브와 파일럿 작동형 체크밸브가 있습니다. 체크밸브는 한쪽 방향으로만 흐름을 허용하는 밸브로 흐름의 차단시 누유를 허용하지 않습니다. 체크밸브는 포펫 형태로 구성되며 매우 약한 스프링을 가지고 있습니다.
파일럿 작동형 체크밸브는 간접 작동형 체크밸브라고도 하며 마찬가지로 체크밸브이기 때문에 역류를 방지하게 하는 밸브입니다.
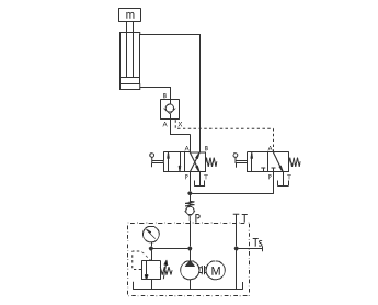
그림을 가지고 구조와 원리를 같이 설명해 보겠습니다. 평상시에는 B에서 A로의 통로가 막혀 있습니다. X포트에 파일럿 압력이 작용할 때, 파일럿 피스톤이 스트로부터 밸브 포펫을 들어올리게 되고 B에서 A로 유압유가 흐를 수 있게 됩니다. 밸브가 개방이 되기 위해서는 파일럿 압력 와 파일럿 피스톤의 면적을 곱한 값이 연결구 B의 압력 와 밸브 포펫의 유효면적을 곱한 후 스프링의 힘을 더해준 값보다 커야 합니다. 일반적으로 파일럿 작동형 체크밸브가 확실하게 작동하기 위해서는 파일럿 피스톤 측의 유효면적이 밸브 포펫의 유효면적보다 커야하며 그 비는 대략 5:1정도입니다.
파일럿 작동형 체크밸브의 적용예시로는 유압 복동실린더의 정지회로를 들 수 있습니다. 이를 통해 유압실린더의 중간정지를 얻어낼 수 있습니다.
출처 : 중소기업진흥공단 사이버연수원
'기계공학' 카테고리의 다른 글
[정밀가공]마이크로 가공 (0) | 2020.07.17 |
---|---|
[정밀가공]AE(Acoustic Emission)신호 특성 & 절삭가공 (0) | 2020.07.08 |
[유압공학]압력 보상형 유량제어 밸브 (0) | 2020.06.19 |
[정밀가공]고속가공용 공구의 미래 (0) | 2020.06.17 |
[정밀가공]고속가공의 특성 (0) | 2020.06.12 |